產品概況:
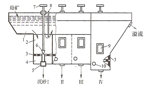
篩板式槽型水力分級機又稱典瓦(Denver)型水力分級機,是利用篩板造成干涉沉降條件的設備。機體外形為一角錐形箱,箱內用垂直隔板分成4~8個分級室。每個室的斷面積為200mm×200mm。在距室底一定高度處設置篩板。
篩板上鉆有36~72個直徑為3~5mm的篩孔。壓力水由篩板下方給入,經篩孔向上流動。在篩板上方懸浮著礦粒群,進行干涉沉降分層。粗顆粒通過篩板中心孔排出,排出量用錐形塞控制。
礦漿由一側給入,依次進到各室中,各室的上升水速逐漸減小,由此得到由粗到細的各級產物。分級室內上升水速分布是否均勻對分級效果有重要影響。減小篩孔并相應增加篩孔數目可在一定程度上改善效果。但水速分布不均是難免的。由此引起二次回流攪動效率不高的重要原因。
篩板式水力分級機的優點是構造簡單,不需要動力。與機械攪拌式水力分級機比較,高度較小,便于配置。可以根據選廠處理能力的不同,制成四室、六室、八室等不同的規格。這種分級機在我國中小型鎢礦選礦廠應用較多。
產品結構及材質:
 |
| 篩板式槽型水力分級機結構示意圖 |
1-給礦槽;2-分級室;3-篩板;4-壓力水室;5-排礦口;
6-排礦調節塞;7-手輪;8-擋板(防止粗粒越室);9-玻璃窗;10-壓力水管 |
產品適用范圍:
篩板式水力分級機的優點是構造簡單,不需要動力。與機械攪拌式水力分級機比較,高度較小,便于配置。可以根據選廠處理能力的不同,制成四室、六室、八室等不同的規格。這種分級機在我國中小型鎢礦選礦廠應用較多。
產品規格及技術參數:
四室水力分級機技術參數
|
項 目\規 格
|
給礦
|
給礦濃度
|
上升水壓
|
篩口尺寸
(mm)
|
生產能力
(噸)
|
外型尺寸(mm)
|
|
240×240
|
0—3
|
20%~26%
|
150~200
|
240×240
|
5—8
|
1818×1138×1680
|
|
200×200
|
0-3
|
20%~26%
|
150~200
|
200×200
|
4-5
|
1650×1100×1600 |
我廠經江西省石城縣質量技術監督局頒發“企業產品執行標準證書”,執行企業標準號為:a/skx0401、0402、0404、0405、0406、0407、0408號。
管理規范、制度嚴密。本廠設立有產品質量,技術部,專門負責產品工藝設計;質量檢驗部:負責產品生產、出廠質量檢驗把關;售后服務部:負責產品安裝調試使用。維修等技術支持;監督投訴部:負責產品質量投訴,投訴電話:15879720520。
相關鏈接:了解更多>>>>6-S玻璃鋼搖床 圓振篩 SZZ自定中心振動篩 水力旋流器 水力分級箱 |